向安集团简介
向安理念与社会责任
集团管理
全球资质
发展历程
分支机构
智能制造基地
隐性冠军
创新研究院
领先国际
国家检测实验室
胜安Secone商用品牌介绍
域安Easyone民用品牌介绍
向安新闻
诚邀加盟
社会招聘
校园招聘
Secone BSS门禁&视频智能系统
Secone IST酒店管理系统
Secone SS门禁系统
逃生门锁系列
欧标门控系列
美标门控系列
五金配件系列
闭门器系列
自动门系列
玻璃五金系列
大拉手系列
特种产品系列
电子锁系列
酒店锁系列
窗五金系列
安全护栏系列
医用残卫扶手系列
智能产品系列
室内门锁系列
卫浴五金
装饰大拉手
小五金系列
向安产品架构
垂直化市场系统
扁平化管理系统
轨交交通
核电工业
工业厂房
特种工业
会议场馆
商业综合
医疗养护
高等院校
星级酒店
公寓住宅
服务流程
服务现场
远程支持
咨询服务
培训服务
售后服务
运输相关问题
组织供应
方案服务收费
延保政策
免费维保
服务内容
自助服务中心
视频教程
联系我们
分公司
在线表单
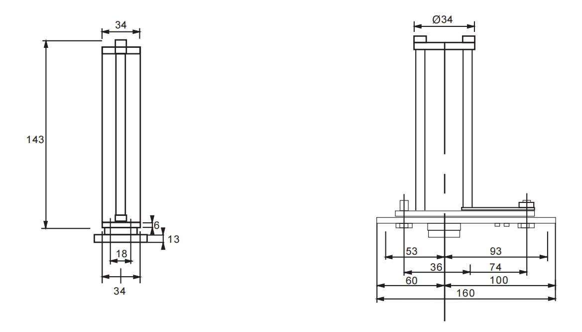
M3系统可“360"旋转,并且能实现在"0°",“90”""180""270"角度停门,并且在每个"45"的左右两个方向都能实现自动旋转,从而在需要的方向停门;轴门只需很小的力使其进行转动,这个功能主要归功于此系统弹簧结构,精准的阻尼使轴门在停门过程中摆动两次后停在设计的停门位置:M3系统仅适用于双向开启门:适用门厚最小40MM,门重最大300KG,在保证关门力的情况下,门重最大200KG。