首页
向安集团
向安产品
解决方案与经典案例
服务与支持
首页 胜安商用品牌明星产品 胜安Secone商用产品 特种产品系列 天地轴系列 中间轴AD200-2LH/RH
中间轴AD200-2LH/RH
规格型号:
AD200-2LH/RH
产品材质:
不锈钢304
表面处理:
不锈钢拉丝 SS
产品认证:
咨询该产品
所属品牌:
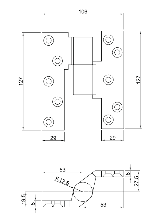
AD200-2LH/RH中间轴
本产品为精铸不锈钢材质
不能单独使用需要配合天地轴使用安装需分左右式
垂直4.5毫米间隙可调

Material: stainless steel (SUS 304)
Handed
Use with AD200
Vertical adjustment 4.5mm, includes positive locking


尺寸图
返回